




説明
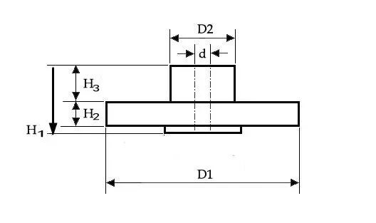
NOTE:There is an error between the technical size and the particular size NOTE: Data parameters have error ± 0.1mm to illustrate :X2A X1.5A X2.5A 1.X : Number of enamel 2.A: tight with B: free with 0.8A displays the central axis of 0.75mm; 0.8mm of the optical axis, with a tight, rotates along with the optical axis. 1.5A displays the central axis of 1.45mm; 1.5mm of the optical axis, with a tight, rotates together with the optical axis. 2A displays the central axis of 1.95mm; 2mm of the optical axis, with a tight, rotates along with the optical axis. 2.5A displays the central axis of 2.45mm; 2.5mm of the optical axis, with a tight, rotates together with the optical axis. 3A shows the central axis of 2.95mm; 3mm of the optical axis, with a tight, rotates along with the optical axis. 2B represents the central axis of 2.05mm; and the optical axis of 2mm, loosely fitted, free to rotate on the optical axis. Gear diameter = (number of teeth +2) * 0.5 ( mm) Modulus:0.5 d(Aperture) :2.95MM H(Thickness):4.7+2.3+2.5MM Diameter:14+4.9MM

レビュー
0 people rated this product
200pcs 26T 3A 0.5 modulus 2.95mm Aperture 26 Teeth Single Plastic Model Gear Toy Car Motor Gearbox fit to 3.0mm axis
送料・返品無料
QWQER Express,
USPS,
DHL
Shopping security
- Safe payment options
- Secure privacy
- Secure logistics
- Purchase protection
