







Description
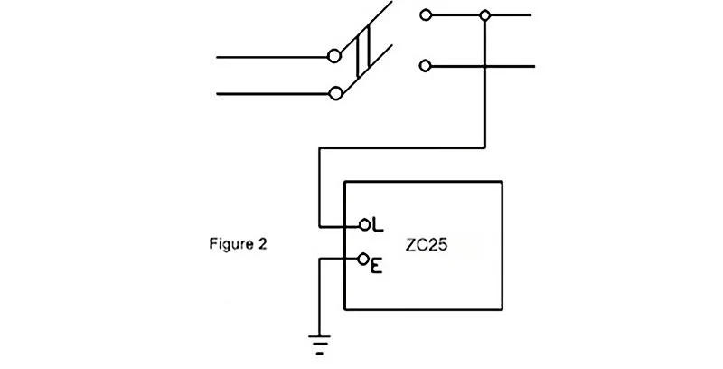
500V 1000V 2500V Insulation Resistance Tester ZC25-3 ZC25-4 ZC11D-10 Megohm Tester Resistance Megger Megohmmeter Multimeters This tool is used to measure the insulation resistance of various motors, cables, transformers, telecommunication components, family home equipment and different electrical kit during their installation, running, maintenance, repairs We have varied units with various verify levels to meet diversified requirements, similar to 0~500MΩ, 0~1000MΩ, 0~2500MΩ The materials of the meter&;s shell entails plastic, alloy and aluminum The aluminum model is maximum durable, and works correctly even below very extreme circumstances 1 Features & Highlights: *High precision and occasional tolerance *Easy to read the test outcomes *Wide examine range from zero to 500MΩ, 1000MΩ, 2500MΩ *Low strength intake *Handy and portable to carry 2 Specifications and Performance: Main technical indexes: Model Rated Voltage Measuring Range(MΩ) Accuracy Class Outer Size (V) Permissible Error ZC25-1 100 + 10% 0~100 Level 10 (equivalent to point 1 of arc length) 205* 120* 145mm ZC25-2 250 + 10% 0~250 ZC25-3 500 + 10% 0~500 ZC25-4 one thousand + 10% 0~1000 ZC11D-10 2500 + 10% 0~500 Level 20 215*135*130mm Use Conditions Temperature:- 25~+40℃, relative humidity isn't always greater than 80% Rated Speed of Crank Handle 120r/min Weight About 2kg 2 Accuracy: Grade 10 2 Service conditions: temperature (- 25-40) ℃, relative humidity not more than 80% 2 Rated velocity of crank: 120r/min 2 Impact of exterior magnetic field: when the exterior magnetic area is 0/m, the allowable exchange of the software is one hundred pc of the grade index 2 Inclination effect: when the device inclines 50 from the horizontal role to both side, the allowable change of the software is 50% of the grade index 2 Insulation resistance: the insulation resistance between all strains of the tool and the shell shall no longer be greater than 20M2 2 Test voltage: the device can withstand 50Hz sine wave AC voltage for 1min, and the high-quality cost of examine voltage is shown as follows: ZC25-3: 1000V ZC25-4: 1500V 3 Instructions 3 The software should be placed horizontally faraway from the magnetic discipline when in use three 2 During insulation measurement, either ends of the tested object would be related to the "grounding" and "line" terminals respectively Turn the manage on the rated pace to measure the resistance (See Figure 1) three During the passing measurement, the tested terminal will be linked to the "line" and a reputable floor wire will probably be linked to the "grounding" column Turn the handle on the rated pace to measure the resistance (See Figure 2) ZC25 three When measuring the insulation resistance of the cable core to the cable shell, besides connecting the 2 tested ends to the "grounding" and "line" terminals respectively, join the inner insulation between the cable shell core to the "protection ring" to remove the dimension error caused by surface leakage (See Figure 3) four Circuit Diagram 5 Precautions: five When now not in use, the insulation resistance meter needs to be placed in a fixed kitchen The ambient temperature shouldn't be too cold or too hot It shouldn't be put on the dirty and damp ground, and it will no longer be placed within the air containing corrosion (such as acid, alkali and other steam) five Try to bypass violent and long-term vibration, that may injury the top of the meter head and the gemstone and impact the accuracy of the device five Wires linked between the terminal and the thing to be tested shall no longer be stranded, yet will likely be linked individually to prevent reading from being laid low with deficient insulation of the stranded wire five Before and after the measurement, the measured object ought to be entirely discharged to ensure the security of kit and personnel five In case of lightning and equipment with high-voltage conductor nearby, it's prohibited to apply insulation resistance meter for dimension It can only be conducted when the package isn't always electrified and cannot be electrified by different energy resources five When the manage is turned around and shaken, the speed will increase from gradual to immediate If the pointer elements to zero, it is not allowed to continue to shake with pressure to forestall coil damage five





Review
0 people rated this product
500V 1000V 2500V Insulation Resistance Tester ZC25-3 ZC25-4 ZC11D-10 Megohm Tester Megameter Resistance Megohmmeter Multimeters








Free shipping & returns
QWQER Express,
USPS,
DHL
Shopping security
- Safe payment options
- Secure privacy
- Secure logistics
- Purchase protection