







Description
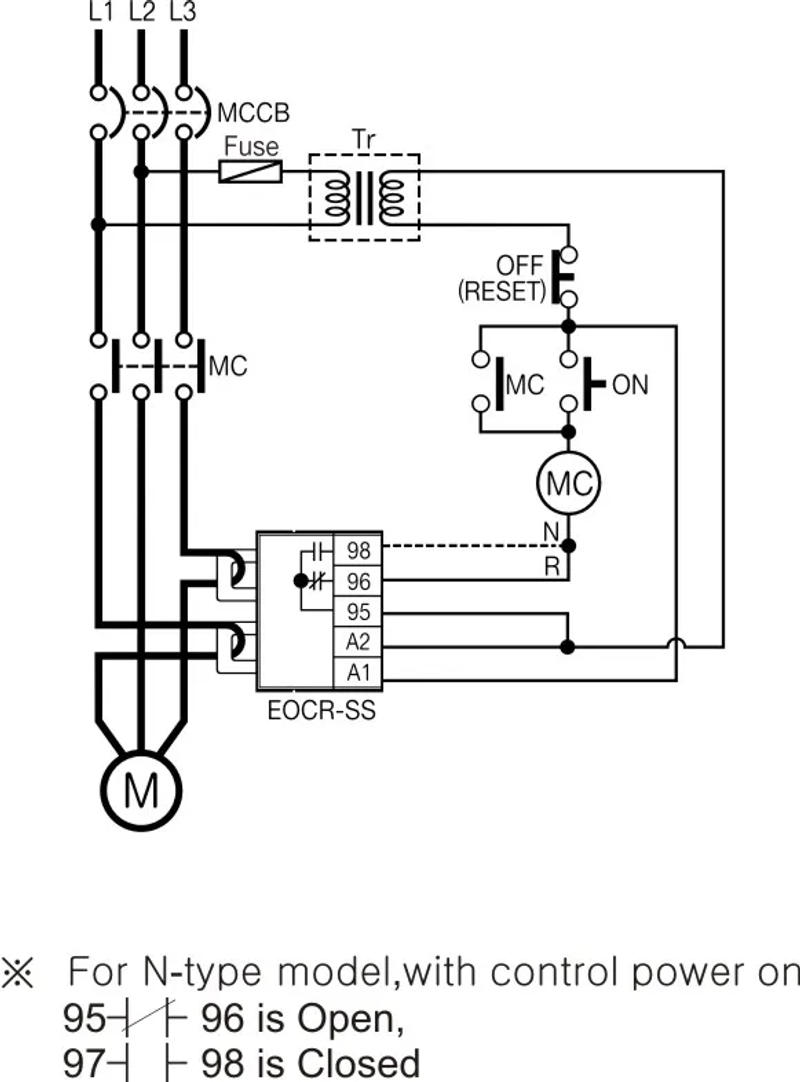
Features ■ Compact Design ■ Overload / Phase Loss / Locked Rotor Protection ■ Independently Adjustable Starting Trip Delay & Operating Time ■ Wide Current Range:0~600A ■ Wide Operating Voltage Range ■ PWR & Trip Indication LED ■ Manual / Electric Reset ■ Ambient Insensitive ■ Low Energy Consumption ■(No Volt Release/Fail-safe Operation)→N Type ※Single-phase, three-phase available (No Volt Release/Fail-safe Operation)→N Used for - Low Voltage Induced Electromotor (600V Level) Protective Relay - Break-Down Watch Current Relay - Alternative Replacement for the Existing Relay Protetcion Protective Item Operating (Trip) Time Over-Current = O-TIME Phase Loss = O-TIME Locked Rotor = D-TIME+O-TIME LED Ammeter Function: After the motor runs smoothly, turn the overcurrent atmosphere knob slowly counter clockwise to the purple indicator light, which is 100 percent of the particular running latest And then turn the knob clockwise to simply turn off the crimson light at this point for the actual working current price of about 103% Run / Operation Indicator: Relay Trip: Red LED Power / traditional working status: Green LED Manual / Electric Reset With examine button ehld down,the red LED is on and the product will trip after O-TIME The relay can be de-energized when RESET button is driven or the control energy is disconnected Set After the set up is whole the settings as follows Set knob: D-TIME(Delay Time) Set two to 3 seconds longer than the motor starting time Set knob: O-TIME(Over-current run time) Set lower than the motor&;s patience time with over-current Set knob: Load(Rated Current) Set over 110% of the motor&;s rated recent of below 120% of its working recent TEST Instruction With check button held down,the pink LED is on and the product will trip after O-TIME The relay could be de-energized when RESET button is pushed or the control energy is disconnected LED Indication Item PWR(Green)LED Trip(Red)LED Power ○ × Normal Running ○ × Trip × ○ Specifications Current Range : Type05) zero Type30) 3-35A Type60) 5-70A Type600) Use an external CT(secondary 5A)over 60A with 05 type Operating Voltage(Un): Tpye110)110VAC Tpye220)90-260VAC Tpye380)180-460VAC Operating Frequency: 50/60Hz Operating Power: <2W Operating Temperature: -20℃·····+55℃ Waiting(t): D-Time zero O-Time 0 Asymmetry Set: %±10 Contact: 5A 250VAC Resistive Load Connection Diagrams: 35mm Din Rail(D) or Pane(P) Dimensions Construction Connection Diagram





Review
0 people rated this product
Samwha-Dsp EOCR-SS-220 Electronic Overload Relay Motor Protector Thermal Overload Relay (Easy Type)(Un:90-260VAC)



Free shipping & returns
QWQER Express,
USPS,
DHL
Shopping security
- Safe payment options
- Secure privacy
- Secure logistics
- Purchase protection
