







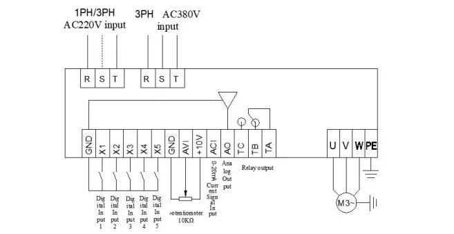
Descriptions
SUSWE320 series inverter is a small general-purpose inverter with multi-function low-noise voltage vector & V/F control, which realizes quick reaction and exact management of torque, and runs through the inverter for speed legislation Extremely high management accuracy, automated tuning of motor parameters, online switching between automatic management and torque control, and torque monitoring Built-in PID controller, clear-cut PLC, 17 types of fault monitoring, rich I/O terminals and multiple speed setting methods, which can meet the necessities of various plenty for force control ■Dual analog enter ■Overcurrent, overvoltage, overload, part loss, quick circuit defense ■Simple PLC function ■Built-in PID controller ■Output voltage legislation AVR function ■Built-in EMC filter





Révision
0 people rated this product
220V 380V Economical VFD Variable Frequency Drive Converter Inverter 2.2KW 5.5KW 7.5KW 11KW 15KW Motor Speed Controller ZUKED







Livraison et retours gratuits
QWQER Express,
USPS,
DHL
Shopping security
- Safe payment options
- Secure privacy
- Secure logistics
- Purchase protection
