






Descriptions
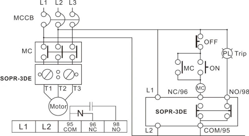
General SOPR-3DE series electronic overload and phase lost relays are designed toprevent the mess ups originated from motor heat Setting D-Time: Set two to three seconds longer than the motor starting time O-Time: Over-current run time lower than the motor&;s endurance time with over-current LOAD: Set over 110% of the motor started recent or beneath 120% of its operating recent Relay Condition When Powered: 95(COM) and 96(NC)is open circuit,95(COM)and 98(NO) is short circuit When Tripped: 95(COM) and 96(NC) is brief circuit, 95(COM)and 98(NO) is open circuit Configuration Menu Trip Cause Indication Maintenance Periodic checking out of TEST button is usually recommended to guarantee the full protectionand continually as preventive maintenance Switch off the gadget and release from connections the trunk of device with a swab Don&;t use any conductor or chemical may damagethe gadget yes machine works after cleaning Specifications Current Range : Type05) 1-6A Type30) 5-30A Type60) 5-60A Type120) 10-120a Operating Voltage(Un): Tpye24) 24VAC/DC Tpye220) 90-260VAC Operating Frequency: 50/60Hz Operating Power: <2W Operating Temperature: -20℃·····+55℃ Waiting(t): D-Time 1-30s O-Time 1-10s Asymmetry Set: %±1 Contact: 5A 250VAC Resistive Load Connection Diagrams: 35mm Din Rail(D) or Pane(P) Dimensions Connection Diagram





Révision
0 people rated this product
Samwha-Dsp SOPR-3DE Digital Overload Relay Motor Protector Thermal Overload Relay




Livraison et retours gratuits
QWQER Express,
USPS,
DHL
Shopping security
- Safe payment options
- Secure privacy
- Secure logistics
- Purchase protection
