




Opisy
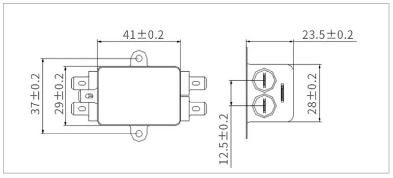
Insert connection Single-Phase General Purpose Series Features and advantages Small size,Fast and simple chassis mounting Various terminal connection types Good performed attenuation performance,applied toenvironment required low interference suppression Typical purposes Electrical and digital package Medical and family package Automation,datacom and digital records processing package Technical specs Maximum continual operating voltage: 250VAC Operating frequency: 50/60Hz Rated currents: 1A-15A@40°Max High potential verify voltage(1 min): Line to Line 1500VDC/Line to Ground 1500VAC Operation and storage temperature range: -25°~+85°(25/085/21) * The suffix ”T” represents Insert connection ** Maximum leakage beneath common operating conditions,note:if the impartial line is interrupted, worst case leakage may possibly attain twice this level Electrical schematics Typical filter attenuation Per CISPR 17/50Ω system [——Common mode;-----Differential mode ] Dimensions [All dimensions in mm] Connections genre “T”




Recenzja
0 people rated this product
Power Supply Filter Single-Phase AC EMI Purification Anti-Jamming 220V CW1B-T(B1)1A 3A 6A 10A15A





Free shipping & returns
QWQER Express,
USPS,
DHL
Shopping security
- Safe payment options
- Secure privacy
- Secure logistics
- Purchase protection